News
Contact us
Contact: Mr.Nie
Mobile: 13905292122
Tel: 086-511-86322039
Fax: 086-511-86311319
Email: zcq@tf-tools.com.cn
Tips for a correct use of a sawblade
To obtain the best performance from a saw blade we suggest to follow these simple instructions:
The machine must be in good conditions,free of vibrations.
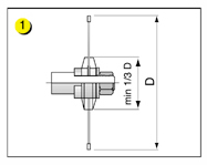
The flanges used to secure the blade must be of the same diameter,at least 1/3 of the blade's diameter(see 1).
The flanges must be parallel to each other.Also,check tolerances on diameters,sides and concentricity,by using a clock gauge(see 2).
The spindle must be perfectly straight and with an h 7 tolerance(see 3).
After continuous use,remove the blade and clean it,making sure to get rid of resin build up with the appropriate solvents.
For the coated blades it's sufficient to use warm water.
In any case,avoid using solvents containing caustic soda.
The blades must be sharpened as soon as they become dull,maintaining the original tooth angles.
For sharpening,always use the correct grinding wheels and plenty of cooling liquid.
Maximum reboring of the blade is 20mm of the original bore size.Above this value,the blade will loose its original tunning and overall performance will be affected(see 4).
Always keep spacers and flanges clean.
When sharpening,the shoulder of the teeth must not be loered more than needed.This operation must be done with appropriate precision machinery and never by hand.There is the risk of breaking the tip or upsetting the blade balance.
On ripping machines,the feeding track must be levelled with the fixed table.
Before starting the cut of the material,make sure the blade is correctly locked according to the machine's specifications.

